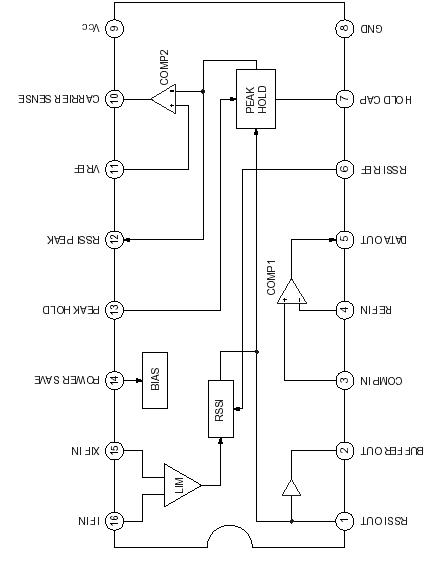
Features: • Low current consumption 7.8 mA (typ. at VCC=3.0 V)• Small package 16-pin SSOP• 40 MHz IF amplifier• RSSI function• RSSI buffer• Peak hold circuit for carrier detection• Comparator for carrier detection• Comparator for data output waveform...
CXA3304N: Features: • Low current consumption 7.8 mA (typ. at VCC=3.0 V)• Small package 16-pin SSOP• 40 MHz IF amplifier• RSSI function• RSSI buffer• Peak hold circuit for ...
SeekIC Buyer Protection PLUS - newly updated for 2013!
268 Transactions
All payment methods are secure and covered by SeekIC Buyer Protection PLUS.
