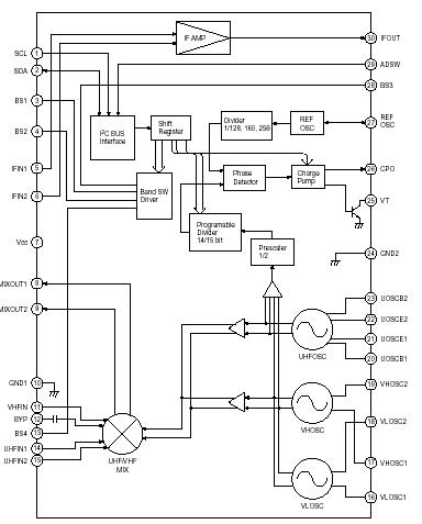
Features: • Low power consumption (5V, 63mA typ.)• Low noise figure, low distortion characteristics• High gain/low gain selectable• Supports IF double-tuned/adjacent channel trap• Balanced oscillator circuits (3 sets) with excellent oscillation stability• On-chi...
CXA3555N: Features: • Low power consumption (5V, 63mA typ.)• Low noise figure, low distortion characteristics• High gain/low gain selectable• Supports IF double-tuned/adjacent channel ...
SeekIC Buyer Protection PLUS - newly updated for 2013!
268 Transactions
All payment methods are secure and covered by SeekIC Buyer Protection PLUS.

The CXA3555N is a monolithic TV tuner IC which integrates local oscillator and mixer circuits for VHF band, local oscillator and mixer circuits for UHF band, an IF amplifier and a tuning PLL onto a single chip, enabling further miniaturization of the tuner.