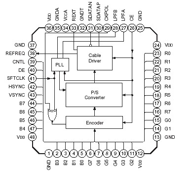
Features: • 1 chip transmitter for serial transmission of 24-bit color VGA/SVGA/XGA picture• On-chip PLL synthesizer• On-chip differential cable driver• TTL/CMOS compatible interface• Supports 1 pixel/shift clock mode with 1 chip and 2 pixel/shift clock mode with 2 ch...
CXB1455R: Features: • 1 chip transmitter for serial transmission of 24-bit color VGA/SVGA/XGA picture• On-chip PLL synthesizer• On-chip differential cable driver• TTL/CMOS compatible i...
SeekIC Buyer Protection PLUS - newly updated for 2013!
268 Transactions
All payment methods are secure and covered by SeekIC Buyer Protection PLUS.

The CXB1455R is the IC which transmits the 24-bit VGA/SVGA/XGA definition moving picture based on the GVIF (Gigabit Video Interface) technology.