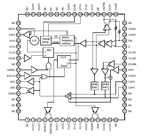
Features: • Auto-offset canceler circuit• Signal interruption alarm output• No reference clock required• Single 5V power supplyApplication• SONET/SDH: 622.08Mbps• ATM: 622.08MbpsPinoutSpecifications• Supply voltage VCC VEE 0.3 to +7.0 V• Storage tem...
CXB1565R: Features: • Auto-offset canceler circuit• Signal interruption alarm output• No reference clock required• Single 5V power supplyApplication• SONET/SDH: 622.08Mbps•...
SeekIC Buyer Protection PLUS - newly updated for 2013!
268 Transactions
All payment methods are secure and covered by SeekIC Buyer Protection PLUS.

The CXB1565R achieves 3R optical-fiber communication receiver functions (Reshaping and Regenerating and Retiming) on a single chip. This IC also equipped with the signal interruption alarm output, which is used to discriminate the existence of data input.