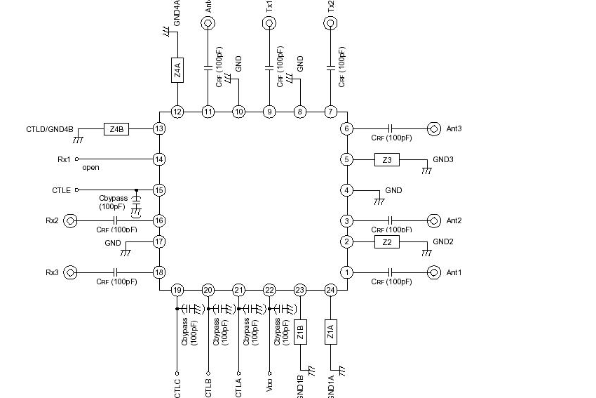
Features: • Low insertion loss: 0.45dB @900MHz, 0.55dB @1.5GHz• High linearity: Harmonic < 65dBc• CMOS compatible input control• Small package: 24-pin VQFN (4.0mm * 4.0mm)Application5 × 4 antenna switch for digital cellular such as PDC handsetsPinoutSpecifications•...
CXG1127ER: Features: • Low insertion loss: 0.45dB @900MHz, 0.55dB @1.5GHz• High linearity: Harmonic < 65dBc• CMOS compatible input control• Small package: 24-pin VQFN (4.0mm * 4.0mm...
SeekIC Buyer Protection PLUS - newly updated for 2013!
268 Transactions
All payment methods are secure and covered by SeekIC Buyer Protection PLUS.

The CXG1127ER is a high power antenna switch MMIC for PDC 800MHz and 1.5GHz dual phone. The CXG1127ER is suited to connect 2Tx/3Rx to one of 4 antennas. The CXG1127ER has on-chip logic circuit for operation with 5 CMOS inputs. The Sony's GaAs J-FET process is used for low insertion loss and low voltage operation.