Features: • A wide instruction set (213 instructions) which cover various types of data
- 16-bit arithmetic instruction/multiplication and division instructions/boolean bit operation instruction
• Minimum instruction cycle During operation 333ns/12MHz (3.0 to 5.5V) During operation 250ns/16MHz (4.5 to 5.5V)
• Incorporated PROM capacity 60K bytes
• Incorporated RAM capacity 1568 bytes
• Peripheral functions
- A/D converter 8-bit, 12-channel, successive approximation system (Conversion time: 20µs/16MHz)
- Serial interface Incorporated buffer RAM (1 to 32 bytes auto transfer) 1-channel Incorporated 8-bit and 8-stage FIFO (1 to 8 bytes auto transfer) 1-channel
- Timer 8-bit timer, 8-bit timer/counter, 19-bit time base timer
- High precision timing pattern generator PPG 19 pins 32-stage programmable PPG 10 pins 21-stage programmable RTG 5 pins 2-channel
- PWM/DA gate output PWM 12-bit, 2-channel (Repetitive frequency 62.5kHz/16MHz) DA gate pulse 12-bit, 4-channel
- Servo input control Capstan FG, Drum FG/PG, CTL input
- VSYNC separator
- FRC capture unit Incorporated 26-bit and 8-stage FIFO
- PWM output 14-bit, 1-channel
- General purpose prescaler 10-bit (System clock asynchronous)
- Pulse cycle measurement circuit
• Interruption 18 factors, 14 vectors, multi-interruption possible
• Standby mode SLEEP/STOP
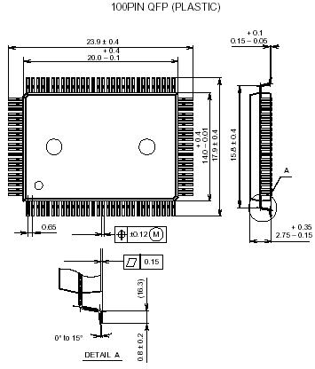
• Package 100-pin plastic QFP/LQFPPinout




Specifications
| Item |
Symbol |
Rating |
Unit |
Remarks |
| Supply voltage |
VDD |
0.3 to +7.0 |
V |
Incorporated PROM |
| Vpp |
0.3 to +13.0 |
V |
|
| AVDD |
AVss to +7.0*1 |
V |
|
| AVSS |
0.3 to +0.3 |
V |
|
| Input voltage |
VIN |
0.3 to +7.0*2 |
V |
|
| Output voltage |
VOUT |
0.3 to +7.0*2 |
V |
|
| High level output current |
IOH |
5 |
mA |
|
| High level total output current |
IOH |
50 |
mA |
Total of output pins |
| Low level output current |
IOL |
15 |
mA |
Other than large current output ports (value per pin) |
| IOLC |
20 |
mA |
Large current output pin*3: per pin |
| Low level total output current |
IOL |
130 |
mA |
Total of output pins |
| Operating temperature |
Topr |
20 to +75 |
°C |
|
| Storage temperature |
Tstg |
55 to +150 |
°C |
|
| Allowable power dissipation |
PD |
600 |
mW |
QFP |
| 380 |
LQFP |
DescriptionThe CXP874P60 is a CMOS 8-bit microcomputer which consists of A/D converter, serial interface (2ch independently), timer/counter, time base timer, vector interruption, high precision timing pattern generation circuit (PPG 2ch independently, RTG 2ch independently), PWM generator, general purpose prescaler, PWM for tuner, VCR vertical sync separation circuit and the measuring circuit which measure signals of capstan FG and drum FG/PG and other servo systems, as well as basic configurations like 8-bit CPU, PROM, RAM and I/O port. They are integrated into a single chip.
Also CXP874P60 provides power on reset function, sleep/stop function which enables to lower power consumption .
CXP874P60 is the PROM-incorporated version of the CXP87452/87460 with built-in mask ROM. This provides the additional feature of being able to write directly into the program. Thus, it is most suitable for evaluation use during system development and for small-quantity production.