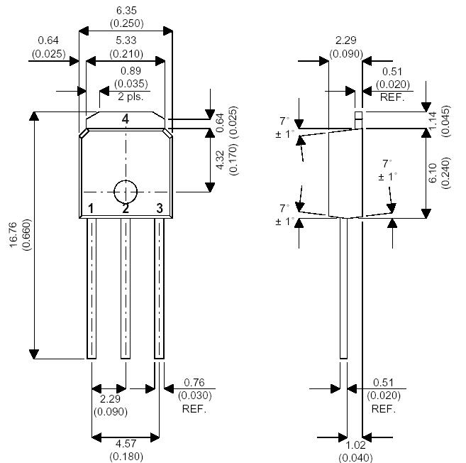
Features: • SIMPLIFIED AMPLIFIER DESIGN• SUITABLE FOR BROAD BAND APPLICATIONS• LOW Crss• SIMPLE BIAS CIRCUITS• LOW NOISE• HIGH GAIN 13dB MINIMUM• SURFACE MOUNTApplication• LOW COST DC to 200 MHzPinoutSpecifications PD Power Dissipation 62.5W ...
D1082UK: Features: • SIMPLIFIED AMPLIFIER DESIGN• SUITABLE FOR BROAD BAND APPLICATIONS• LOW Crss• SIMPLE BIAS CIRCUITS• LOW NOISE• HIGH GAIN 13dB MINIMUM• SURFACE M...
SeekIC Buyer Protection PLUS - newly updated for 2013!
268 Transactions
All payment methods are secure and covered by SeekIC Buyer Protection PLUS.

| PD | Power Dissipation | 62.5W |
| BVDSS | Drain Source Breakdown Voltage | 70V |
| BVGSS | Gate Source Breakdown Voltage | ±20V |
| ID(sat) | Drain Current | 5A |
| Tstg | Storage Temperature | 65 to 150°C |
| Tj | Maximum Operating Junction Temperature | 62.5W |