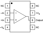
PinoutDescriptionThe DEM-OPA68xU demonstration board is an unpopulated printed circuit board (PCB) for Burr- Brown's high speed single op amps available in SO-8 packages. Figure 1 shows the pin out used for most of these op amps. Table I lists the exceptions to this pin-out that are also supported...
DEM-OPA68xU: PinoutDescriptionThe DEM-OPA68xU demonstration board is an unpopulated printed circuit board (PCB) for Burr- Brown's high speed single op amps available in SO-8 packages. Figure 1 shows the pin out ...
SeekIC Buyer Protection PLUS - newly updated for 2013!
268 Transactions
All payment methods are secure and covered by SeekIC Buyer Protection PLUS.
