Features: ` Accepts 150-ns Write Pulse Width` 5-V On-Chip Regulator` Built on PLUS-40 Process` Latches Are Transparent with WR Low`Low On-Resistance: 60 Application` P Based Systems` Automatic Test Equipment` Communication Systems` Data Acquisition Systems` Medical Instrumentation` Factory Automat...
DG221: Features: ` Accepts 150-ns Write Pulse Width` 5-V On-Chip Regulator` Built on PLUS-40 Process` Latches Are Transparent with WR Low`Low On-Resistance: 60 Application` P Based Systems` Automatic Test ...
SeekIC Buyer Protection PLUS - newly updated for 2013!
268 Transactions
All payment methods are secure and covered by SeekIC Buyer Protection PLUS.
` Accepts 150-ns Write Pulse Width
` 5-V On-Chip Regulator
` Built on PLUS-40 Process
` Latches Are Transparent with WR Low
` Low On-Resistance: 60

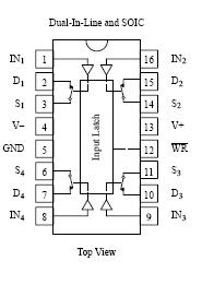
nalog switch designed for precision switching applications in communication, instrumentation and process control systems. Featuring independent onboard latches and a common WR pin, each DG221 can be memory mapped, and addressed as a single data byte for simultaneous switching.
Designed on the Siliconix PLUS-40 CMOS process, the DG221 combines low power and low on-resistance (60typical) while handling continuous currents up to 20 mA. An epitaxial layer prevents latchup.
The DG221 features true bidirectional performance in the on condition. These switches guarantee a rail-to-rail blocking capability (44 V max), in the off condition.