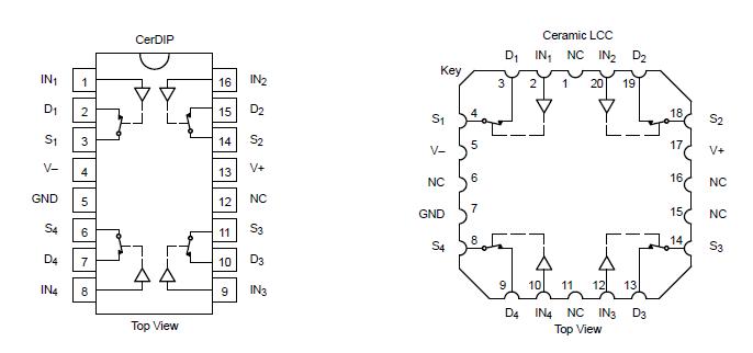
Features: Fast Switching tON: 55 nsLow Charge Injection: 5 pCLow rDS(on): 32TTL/CMOS CompatibleLow Leakage: 50 pAApplicationHigh-Speed SwitchingSample/HoldDigital FiltersOp Amp Gain SwitchingFlight Control SystemsAutomatic Test EquipmentChoppersCommunication SystemsPinoutSpecificationsV+ to Vͨ...
DG271MIL: Features: Fast Switching tON: 55 nsLow Charge Injection: 5 pCLow rDS(on): 32TTL/CMOS CompatibleLow Leakage: 50 pAApplicationHigh-Speed SwitchingSample/HoldDigital FiltersOp Amp Gain SwitchingFlight ...
SeekIC Buyer Protection PLUS - newly updated for 2013!
268 Transactions
All payment methods are secure and covered by SeekIC Buyer Protection PLUS.
