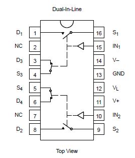
Features: 15-V Input RangeOn-Resistance: <50 Break-Before-Make SwitchingTTL and CMOS CompatiblePinoutSpecificationsV+ to V . . . . . . . . . . . . . . . . . . . . . . . . . . . . . . . . . . . . . . . . . . . . . . . . 44 VGND to V . . . . . . . . . . . . . . . . . . . . . .. . . . . . . . . . ...
DG5043: Features: 15-V Input RangeOn-Resistance: <50 Break-Before-Make SwitchingTTL and CMOS CompatiblePinoutSpecificationsV+ to V . . . . . . . . . . . . . . . . . . . . . . . . . . . . . . . . . . . . ...
SeekIC Buyer Protection PLUS - newly updated for 2013!
268 Transactions
All payment methods are secure and covered by SeekIC Buyer Protection PLUS.

V+ to V . . . . . . . . . . . . . . . . . . . . . . . . . . . . . . . . . . . . . . . . . . . . . . . . 44 V
GND to V . . . . . . . . . . . . . . . . . . . . . .. . . . . . . . . . . . . . . . . . . . . . . . . 25 V
VL . . . . . . . . . . . . . . . . . . . . . . . . . . . . .. . . . . . . . . . . (GND 0.3 V) to 44 V
Digital Inputsa VS, VD . . . . . . . . . . . . . . . . . . . . . (V) 2 V to (V+ plus 2 V)
or 30 mA, whichever occurs first
Current (Any Terminal) Continuous . . . . . . . . . . . . . . . . . . . . . . . . . . 30 mA
Current, S or D (Pulsed 1 ms 10% duty) .. . . . . . . . . . . . . . . . . . . . . 100 mA
Storage Temperature . . . . . . . . . . . . . . . . . . . .. . . . . . . . . . . . 65 to 125
Power Dissipation (Package)b
16-Pin Plastic DIPc . . . . . . . . . . . . . . . . . . . . . . . . . . . . . . . . . . . . . . 470 mW
Notes:
a. Signals on SX, DX, or INX exceeding V+ or V will be clamped by internal diodes. Limit forward diode current to maximum current ratings.
b. All leads welded or soldered to PC Board.
c. Derate 6 mW/above 75
The DG5043 solid state analog switch is recommended for general purpose The DG5043 solid state analog switch is recommended for general purpose PLUS-40 high voltage CMOS process, this device provides ease-of-use and performance advantages to the system designer. Key performance features of the DG5043 are 1s switching, low power supply requirements, and break-before-make switching. Each switch conducts equally well in either direction, when on, and blocks up to 30 V peak-to-peak when off. Off leakage current is 1-nA maximum. An epitaxial layer prevents latch up. For new designs, DG403 is recommended.