Features: DC triggered from active-high transition or active-lowtransition inputsRetriggerable to 100% duty cycleDirect reset terminates output pulseCompensated for VCC and temperature variationsDTL TTL compatibleInput clamp diodesPinoutSpecificationsIf MilitaryAerospace specified devices are requ...
DM54123: Features: DC triggered from active-high transition or active-lowtransition inputsRetriggerable to 100% duty cycleDirect reset terminates output pulseCompensated for VCC and temperature variationsDTL...
SeekIC Buyer Protection PLUS - newly updated for 2013!
268 Transactions
All payment methods are secure and covered by SeekIC Buyer Protection PLUS.

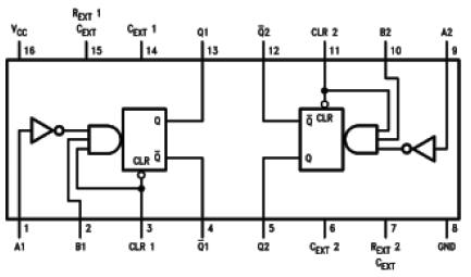
The DM54123 is a dual retriggerable monostable multivibrator capable of generating output pulses from a few nano-sec-onds to extremely long duration up to 100% duty cycle Each device has three inputs permitting the choice of either leading-edge or trailing edge triggering Pin (A) is an active-low transition trigger input and pin (B) is an active-high tran-sition trigger input A low at the clear (CLR) input terminates the output pulse which also inhibits triggering An internal connection from CLR to the input gate makes it possible to trigger the circuit by a positive-going signal on CLR as shown in the truth table
To obtain the best and trouble free operation from this DM54123 please read the operating rules as well as the NSC oneshot application notes carefully and observe recom-mendations