Features: *Alternate Military/Aerospace device (5437) is available. Contact a National Semiconductor Sales Office/Distributor for specifications.PinoutSpecificationsSupply Voltage ................................................................................7VInput Voltage .........................
DM5437: Features: *Alternate Military/Aerospace device (5437) is available. Contact a National Semiconductor Sales Office/Distributor for specifications.PinoutSpecificationsSupply Voltage .....................
SeekIC Buyer Protection PLUS - newly updated for 2013!
268 Transactions
All payment methods are secure and covered by SeekIC Buyer Protection PLUS.
* Alternate Military/Aerospace device (5437) is available. Contact a National Semiconductor Sales Office/Distributor for specifications.

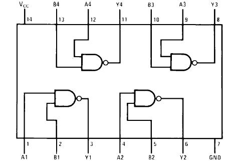
This device DM5437 contains four independent gates each of which performs the logic NAND function.