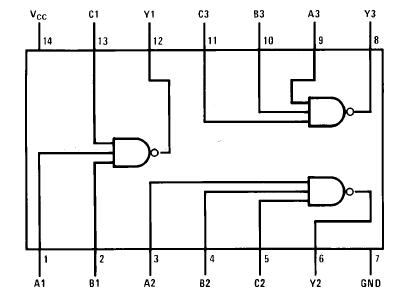
Features: *Alternate Military/Aerospace device (54LS10) is available. Contact a National Semiconductor Sales Office/ Distributor for specifications.PinoutSpecificationsSupply Voltage ....................................................................................7VInput Voltage ..................
DM54LS10: Features: *Alternate Military/Aerospace device (54LS10) is available. Contact a National Semiconductor Sales Office/ Distributor for specifications.PinoutSpecificationsSupply Voltage ..................
SeekIC Buyer Protection PLUS - newly updated for 2013!
268 Transactions
All payment methods are secure and covered by SeekIC Buyer Protection PLUS.
