Encoders, Decoders, Multiplexers & Demultiplexers 3-STATE Data Sel/Mul
DM74ALS253M: Encoders, Decoders, Multiplexers & Demultiplexers 3-STATE Data Sel/Mul
SeekIC Buyer Protection PLUS - newly updated for 2013!
268 Transactions
All payment methods are secure and covered by SeekIC Buyer Protection PLUS.
| Product : | Decoders, Encoders, Multiplexers & Demultiplexers | Logic Family : | 74A |
| Number of Bits : | 2 | Number of Lines (Input / Output) : | 1 / 4 |
| Propagation Delay Time : | 14 ns at 4.5 V to 5.5 V | Supply Voltage - Max : | 5.5 V |
| Supply Voltage - Min : | 4.5 V | Maximum Operating Temperature : | + 70 C |
| Mounting Style : | SMD/SMT | Package / Case : | SOIC-16 |
| Packaging : | Tube |

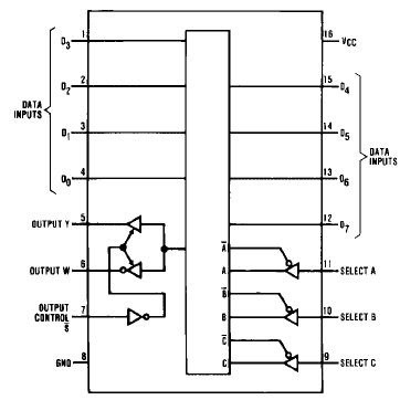
This DM74ALS253M Data Selector/Multiplexer contains full on-chip decoding to select one-of-four data sources as a result of a unique two-bit binary code at the Select Inputs. Each of the two Data Selector/Multiplexer circuits,including DM74ALS253M have their own separate Data and Output Control inputs and a non-inverting 3- STATE output buffer. The Output Control inputs, when at the high level, place the corresponding output in the high impedance OFF-State. In order to prevent bus access conflicts, output disable times are shorter than output enable times. The Select input buffers incorporate internal overlap features to ensure that select input changes do not cause invalid output transients.