Latches Oct D-Typ Trans Lat
SeekIC Buyer Protection PLUS - newly updated for 2013!
268 Transactions
All payment methods are secure and covered by SeekIC Buyer Protection PLUS.
| Number of Circuits : | 8 | Logic Type : | D-Type Transparent Latch |
| Logic Family : | 74ALS | Polarity : | Inverting |
| Number of Output Lines : | 3 | High Level Output Current : | - 2.6 mA |
| Propagation Delay Time : | 18 ns at 4.5 V to 5.5 V | Supply Voltage - Max : | 5.5 V |
| Supply Voltage - Min : | 4.5 V | Maximum Operating Temperature : | + 70 C |
| Minimum Operating Temperature : | 0 C | Package / Case : | PDIP-20 |
| Packaging : | Tube |

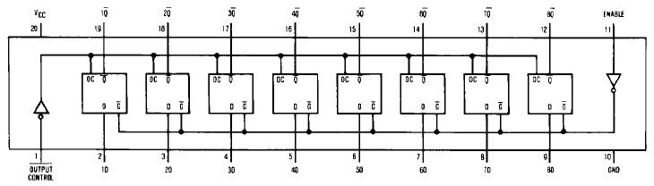
These DM74ALS563AN 8-bit registers feature totem-pole 3-STATE outputs designed specifically for driving highly-capacitive or relatively low-impedance loads. The high-impedance state and increased high-logic-level drive provide these DM74ALS563AN registers with the capability of being connected directly to and driving the bus lines in a bus-organized system without need for interface or pull-up components. They are particularly attractive for implementing buffer registers, I/O ports, bidirectional bus drivers, and working registers.
The eight inverting latches of the DM74ALS563A are transparent D-type latches. While the enable (G) is HIGH the Q outputs will follow the data (D) inputs. When the enable is taken LOW the output will be latched at the complement of the level of the data that was set up. A buffered output control input can be used to place the eight outputs in either a normal logic state (HIGH or LOW logic levels) or a high-impedance state. In the high-impedance state the outputs of DM74ALS563AN neither load nor drive the bus lines significantly.
The output control does not affect the internal operation of the latches. That is, the old data can be retained or new data can be entered even while the outputs of DM74ALS563AN are OFF.