Flip Flops Oct D-Typ Flip Flop
SeekIC Buyer Protection PLUS - newly updated for 2013!
268 Transactions
All payment methods are secure and covered by SeekIC Buyer Protection PLUS.
| Number of Circuits : | 8 | Logic Family : | 74ALS | ||
| Logic Type : | D-Type Edge Triggered Flip-Flop | Polarity : | Inverting | ||
| Input Type : | Single-Ended | Output Type : | Single-Ended | ||
| Propagation Delay Time : | 14 ns | High Level Output Current : | - 2.6 mA | ||
| Low Level Output Current : | 24 mA | Supply Voltage - Max : | 5.5 V | ||
| Maximum Operating Temperature : | + 70 C | Mounting Style : | SMD/SMT | ||
| Package / Case : | SOIC-20 | Packaging : | Tube |

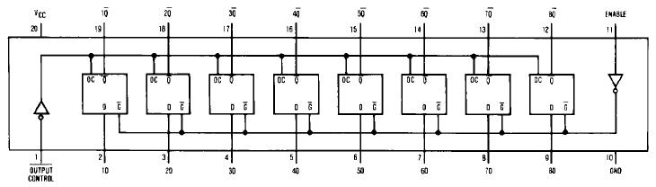
These DM74ALS564AWM 8-bit registers feature totem-pole 3-STATE outputs designed specifically for driving highly-capacitive or relatively low-impedance loads. The high-impedance state and increased high-logic-level drive provide these registers with the capability of being connected directly to and driving the bus lines in a bus-organized system without need for interface or pull-up components. They are particularly attractive for implementing buffer registers, I/O ports, bidirectional bus drivers, and working registers.
The eight flip-flops of the DM74ALS564AWM are edge-triggered inverting D-type flip-flops. On the positive transition of the clock, the Q outputs will be set to the complement of the logic states that were set up at the D inputs.
A buffered output control input can be used to place the eight outputs in either a normal logic state (HIGH or LOW logic levels) or a high-impedance state. In the high-impedance state the outputs of DM74ALS564AWM neither load nor drive the bus lines significantly.
The output control does not affect the internal operation of the flip-flops. That is, the old data can be retained or new data can be entered even while the outputs of DM74ALS564AWM are OFF.