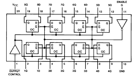
Flip Flops Oct D-Type Flip-Flop
SeekIC Buyer Protection PLUS - newly updated for 2013!
268 Transactions
All payment methods are secure and covered by SeekIC Buyer Protection PLUS.
| Number of Circuits : | 8 | Logic Family : | 74AS | ||
| Logic Type : | D-Type Edge Triggered Flip-Flop | Polarity : | Non-Inverting | ||
| Input Type : | Single-Ended | Output Type : | Single-Ended | ||
| Propagation Delay Time : | 9 ns | High Level Output Current : | - 15 mA | ||
| Low Level Output Current : | 48 mA | Supply Voltage - Max : | 5.5 V | ||
| Maximum Operating Temperature : | + 70 C | Mounting Style : | Through Hole | ||
| Package / Case : | PDIP-20 | Packaging : | Tube |

These 8-bit registers feature totem-pole 3-STATE outputs, DM74AS374N designed specifically for driving highly-capacitive or relatively low-impedance loads. The high-impedance state and increased high-logic-level drive provide these registers with the capability of being connected directly to and driving the bus lines in a bus-organized system without need for interface or pull-up components. They are particularly attractive for implementing buffer registers, I/O ports, bidirectional bus drivers, and working registers.
The eight flip-flops of the DM74AS374N are edge-triggered D-type flip-flops. On the positive transition of the clock, the Q outputs will be set to the logic states that were set up at the D inputs.
A buffered output control input can be used to place the eight outputs in either a normal logic state (HIGH or LOW logic levels) or a high impedance state. In the high-impedance state the outputs of DM74AS374N neither load nor drive the bus lines significantly.
The output control does not affect the internal operation of the flip-flops. That is, the old data can be retained or new data can be entered even while the outputs of DM74AS374N are off.