Latches Dl 4-Bit D Tran Lat
SeekIC Buyer Protection PLUS - newly updated for 2013!
268 Transactions
All payment methods are secure and covered by SeekIC Buyer Protection PLUS.
| Number of Circuits : | 2 | Logic Type : | D-Type Transparent Latch |
| Logic Family : | 74AS | Polarity : | Non-Inverting |
| Number of Output Lines : | 3 | High Level Output Current : | - 15 mA |
| Propagation Delay Time : | 6.5 ns at 4.5 V to 5.5 V | Supply Voltage - Max : | 5.5 V |
| Supply Voltage - Min : | 4.5 V | Maximum Operating Temperature : | + 70 C |
| Minimum Operating Temperature : | 0 C | Package / Case : | PDIP-24 |
| Packaging : | Tube |

These DM74AS873NT dual 4-bit registers feature totem-pole 3-STATE outputs designed specifically for driving highly-capacitive or relatively low-impedance loads. The high-impedance state and increased high-logic-level drive of DM74AS873NT provide these registers with the capability of being connected directly to and driving the bus lines in a bus-organized system without need for interface or pull-up components. They are particularly attractive for implementing buffer registers, I/O ports, bidirectional bus drivers, and working registers.
The eight latches of the DM74AS873 are transparent Dtype latches meaning that while the enable (G) is HIGH the Q outputs will follow the data (D) inputs. When the enable is taken LOW the output will be latched at the level of the data that was set up.A buffered output control input can be used to place the eight outputs in either a normal logic state (HIGH or LOW logic levels) or a high-impedance state. In the high-impedance state the outputs neither load nor drive the bus lines significantly. The output control of DM74AS873NT does not affect the internal operation of the latches. That is, the old data can be retained or new data can be entered even while the outputs are OFF.
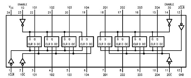
The pinout of DM74AS873NT is arranged to ease printed circuit board layout. All data inputs are on one side of the package while all outputs are on the other side.