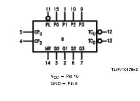
PinoutSpecificationsSupplyVoltage ......................................................7VInputVoltage ........................................................7VOperating Free Air Temperature Range 54LS ............................................-55to+ 125 DM74LS.....................................
DM74LS19: PinoutSpecificationsSupplyVoltage ......................................................7VInputVoltage ........................................................7VOperating Free Air Temperature Range ...
SeekIC Buyer Protection PLUS - newly updated for 2013!
268 Transactions
All payment methods are secure and covered by SeekIC Buyer Protection PLUS.


