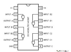
Features: *Meets EIA-232D and CCITT V.28 standards* Industrial temperature rangeb40§Cto a85§CÐDS14C88T* LOW power consumption*Wide power supply range g5V to g12V* Available in SOIC packagePinoutSpecificationsSupply VoltageV+ Pin.....................................................................
DS14C88T: Features: *Meets EIA-232D and CCITT V.28 standards* Industrial temperature rangeb40§Cto a85§CÐDS14C88T* LOW power consumption*Wide power supply range g5V to g12V* Available in SOIC packagePinout...
SeekIC Buyer Protection PLUS - newly updated for 2013!
268 Transactions
All payment methods are secure and covered by SeekIC Buyer Protection PLUS.
