Features: 100% RS-485 compliant- Guaranteed RS-485 device interoperation Low power CMOS design: ICC 500 A max Automatic sensing sleep mode- Reduces ICC to 10 A maximum Built-in power up/down glitch-free circuitry- Permits live transceiver intersection/displacement DIP and SOIC packages available I...
DS36C279: Features: 100% RS-485 compliant- Guaranteed RS-485 device interoperation Low power CMOS design: ICC 500 A max Automatic sensing sleep mode- Reduces ICC to 10 A maximum Built-in power up/down glitch-...
SeekIC Buyer Protection PLUS - newly updated for 2013!
268 Transactions
All payment methods are secure and covered by SeekIC Buyer Protection PLUS.

| Function | Transceiver |
| Channels | 1 Channels |
| SupplyVoltage | 5 Volt |
| Process | CMOS |
| Special Features | Auto Sleep Mode |
| Temperature Min | -40 deg C |
| Temperature Max | 85 deg C |
| JTAG1149.1 | No |
| Drivers | 1 |
| Receivers | 1 |
| View Using Catalog | |
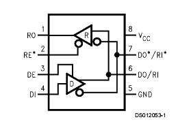
The DS36C279 is a low power differential bus/line trans-ceiver designed to meet the requirements of RS-485 Stan-dardformultipointdatatransmission.Inadditionitiscompat-ible with TIA/EIA-422-B.
The DS36C279 sleep mode feature automatically puts the device in a power saving mode when both the driver and receiver are disabled.++ The device is ideal for use in power conscious applications where the device may be disabled for extended periods of time.
The DS36C279 driverandreceiveroutputsfeatureTRI-STATEcapabil-ity.The driver outputs operate over the entire common mode range of -7V to +12V. Bus contention or fault situations that cause excessive power dissipation within the device are handled by a thermal shutdown circuit, which forces the driver outputs into a high impedance state.
Thereceiverincorporatesafailsafecircuitwhichguarantees a high output state when the inputs are left open.+
The DS36C279T is fully specified over the industrial tem-perature range (-40 to +85).