Features: ·Complies with OpenLDI specification for digital display interfaces·32.5 to 112/170MHz clock support for DS90C387, 40 to 112MHz clock support for DS90CF388·Supports SVGA through QXGA panel resolutions·Drives long, low cost cables·Up to 5.38Gbps bandwidth·Pre-emphasis reduces cable loadin...
DS90C387: Features: ·Complies with OpenLDI specification for digital display interfaces·32.5 to 112/170MHz clock support for DS90C387, 40 to 112MHz clock support for DS90CF388·Supports SVGA through QXGA panel...
SeekIC Buyer Protection PLUS - newly updated for 2013!
268 Transactions
All payment methods are secure and covered by SeekIC Buyer Protection PLUS.

| Color Depth | 24 bpp |
| Pixel Clock Max | 112 MHz |
| Pixel Clock Min | 32.5 MHz |
| Compression Ratio | 48:8 |
| Input Compatibility | LVCMOS |
| Output Compatibility | LVDS |
| Total Throughput | 6272 Mbps |
| Payload/Channel | 784 Mbps |
| Supply Voltage | 3.3 Volt |
| Temperature Min | -10 deg C |
| Temperature Max | 70 deg C |
| DisplayType | FPD |
| Sensing & Imaging | Yes |
| View Using Catalog | |
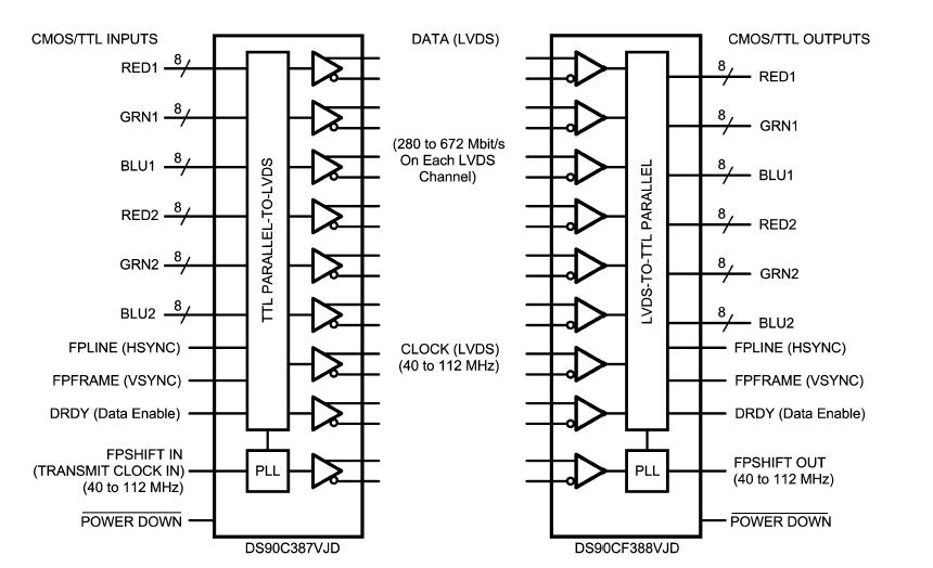
The DS90C387/DS90CF388 transmitter/receiver pair is designed to support dual pixel data transmission between Host and Flat Panel Display up to QXGA resolutions. The transmitter converts 48 bits (Dual Pixel 24-bit color) of CMOS/TTL data into 8 LVDS (Low Voltage Differential Signalling) data streams. Control signals (VSYNC, HSYNC, DE and two user-defined signals) are sent during blanking intervals.
At a maximum dual pixel rate of 112MHz, LVDS data line speed is 672Mbps, providing a total throughput of 5.38Gbps (672 Megabytes per second). Two other modes are also supported.
24-bit color data (single pixel) DS90C387/DS90CF388 can be clocked into the transmitter at a maximum rate of 170MHz. In this mode, the transmitter provides single-to-dual pixel conversion, and the output LVDS clock rate is 85MHz maximum. The third mode provides inter-operability with FPD-Link devices.
The LDI chipset DS90C387/DS90CF388 is improved over prior generations of FPDLink devices and offers higher bandwidth support and longer cable drive with three areas of enhancement. To increase bandwidth, the maximum pixel clock rate is increased to 112 (170) MHz and 8 serialized LVDS outputs are provided.
Cable drive DS90C387/DS90CF388 is enhanced with a user selectable preemphasis feature that provides additional output current during transitions to counteract cable loading effects. DC balancing on a cycle-to-cycle basis, is also provided to reduce ISI (Inter-Symbol Interference). With pre-emphasis and DC balancing, a low distortion eye-pattern is provided at the receiver end of the cable. A cable deskew capability has been added to deskew long cables of pair-to-pair skew of up to +/−1 LVDS data bit time (up to 80 MHz Clock Rate).
These three enhancements DS90C387/DS90CF388 allow cables 5+ meters in length to be driven. This chipset is an ideal means to solve EMI and cable size problems for high-resolution flat panel applications. It provides a reliable interface based on LVDS technology that delivers the bandwidth needed for high-resolution panels while maximizing bit times, and keeping clock rates low to reduce EMI and shielding requirements. For more details, please refer to the "Applications Information" section of this datasheet.