PinoutSpecificationsFunctionTransmitterColor Depth24 bppPixel Clock Max85 MHzPixel Clock Min25 MHzCompression Ratio48:8Input CompatibilityLVCMOSOutput CompatibilityLVDSTotal Throughput4760 MbpsPayload/Channel595 MbpsSupply Voltage3.3 VoltTemperature Min-10 deg CTemperature Max70 deg CDisplayTypeFP...
DS90C387R: PinoutSpecificationsFunctionTransmitterColor Depth24 bppPixel Clock Max85 MHzPixel Clock Min25 MHzCompression Ratio48:8Input CompatibilityLVCMOSOutput CompatibilityLVDSTotal Throughput4760 MbpsPaylo...
SeekIC Buyer Protection PLUS - newly updated for 2013!
268 Transactions
All payment methods are secure and covered by SeekIC Buyer Protection PLUS.

| Function | Transmitter |
| Color Depth | 24 bpp |
| Pixel Clock Max | 85 MHz |
| Pixel Clock Min | 25 MHz |
| Compression Ratio | 48:8 |
| Input Compatibility | LVCMOS |
| Output Compatibility | LVDS |
| Total Throughput | 4760 Mbps |
| Payload/Channel | 595 Mbps |
| Supply Voltage | 3.3 Volt |
| Temperature Min | -10 deg C |
| Temperature Max | 70 deg C |
| DisplayType | FPD |
| Sensing & Imaging | Yes |
| View Using Catalog | |
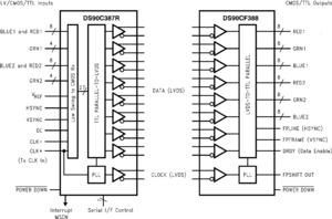
The DS90C387R transmitter is designed to support pixel data transmission from a Host to a Flat Panel Display up to UXGA resolution. It is designed to be compatible with Graphics Memory Controller Hub( GMCH) by implementing two data per clock and can be controlled by a two-wire serial communication interface. Two input modes are supported: one port of 12-bit( two data per clock) input for 24-bit RGB, and two ports of 12-bit( two data per clock) input for dual 24-bit RGB( 48-bit total). In both modes, input data will be clocked on both rising and falling edges in LVTTL level operation, or clocked on the cross over of differential clock signals in the low swing operation. Each input data width will be 1/2 of clock cycle. With an input clock at 85MHz and input data at 170Mbps, the maximum transmission rate of each LVDS line is 595Mbps, for a aggregate throughput rate of 2.38Gbps/4.76Gbps. It converts 24/48 bits (Single/Dual Pixel 24-bit color) of data into 4/8 LVDS (Low Voltage Differential Signaling) data streams. DS90C387R can be programmed via the two-wire serial communication interface. The LVDS output pin-out is identical to DS90C387. Thus, this transmitter can be paired up with DS90CF388, receiver of the 112MHz LDI chipset or FPD-Link Receivers in non-DC Balance mode operation which provides GUI/LCD panel/mother board vendors a wide choice of inter-operation with LVDS based TFT panels.
DS90C387R also comes with features that can be found on DS90C387. Cable drive is enhanced with a user selectable pre-emphasis feature that provides additional output current during transitions to counteract cable loading effects. DC Balancing on a cycle-to-cycle basis is also provided to reduce ISI( Inter-Symbol Interference), control signals ( VSYNC, HSYNC, DE) are sent during blanking intervals. With pre-emphasis and DC Balancing, a low distortion eye-pattern is provided at the receiver end of the cable. These enhancements allow cables 5 to 15+ meters in length to be driven depending on media characteristic and pixel clock speed. Pre-emphasis is available in both the DC Balanced and Non-DC Balanced modes. In the Non-DC Balanced mode backward compatibility with FPD-Link Receivers is obtained.
This chip is an ideal solution to solve EMI and cable size problems for high-resolution flat panel display applications. It provides a reliable industry standard interface based on LVDS technology that delivers the bandwidth needed for high-resolution panels while maximizing bit times, and keeping clock rates low to reduce EMI and shielding requirements. For more details, please refer to the "Applications Information" section of this datasheet.
Reliability Metrics
| Part Number | Process | EFR Reject | EFR Sample Size | PPM | LTA Rejects | LTA Device Hours | FITS | MTTF (Hours) |
| DS90C387RVJD | .35 | 0 | 18700 | 0 | 0 | 1290000 | 3 | 366041022 |
| DS90C387RVJDX | .35 | 0 | 18700 | 0 | 0 | 1290000 | 3 | 366041022 |