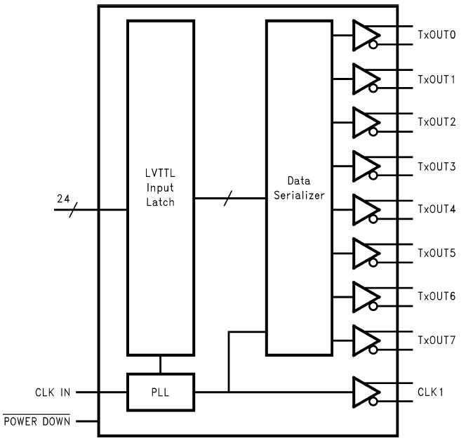
Features: ·Up to 6.384 Gbps throughput·66MHz to 133MHz input clock support·Reduces cable and connector size and cost·Pre-emphasis reduces cable loading effects·DC balance reduces ISI distortion·24 bit double edge inputs·3V Tolerant LVCMOS/LVTTL inputs·Low power, 2.5V supply·Flow-through pinout·In ...
DS90CR485: Features: ·Up to 6.384 Gbps throughput·66MHz to 133MHz input clock support·Reduces cable and connector size and cost·Pre-emphasis reduces cable loading effects·DC balance reduces ISI distortion·24 b...
SeekIC Buyer Protection PLUS - newly updated for 2013!
268 Transactions
All payment methods are secure and covered by SeekIC Buyer Protection PLUS.
