Transistors Switching (Resistor Biased) 100mA 50V BRT PNP
DTA114EET1: Transistors Switching (Resistor Biased) 100mA 50V BRT PNP
SeekIC Buyer Protection PLUS - newly updated for 2013!
268 Transactions
All payment methods are secure and covered by SeekIC Buyer Protection PLUS.
| Configuration : | Single | Transistor Polarity : | PNP | ||
| Typical Input Resistor : | 10 KOhms | Typical Resistor Ratio : | 1 | ||
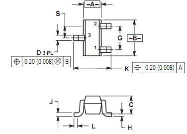
| Mounting Style : | SMD/SMT | Package / Case : | SC-75-3 | ||
| Collector- Emitter Voltage VCEO Max : | 50 V | Continuous Collector Current : | 0.1 A | ||
| Peak DC Collector Current : | 100 mA | Power Dissipation : | 0.2 W | ||
| Maximum Operating Temperature : | + 150 C | Packaging : | Reel |
Simplifies Circuit Design
Reduces Board Space
Reduces Component Count
The SC75/SOT416 package can be soldered using wave or reflow. The modified gullwinged leads absorb thermal stress during soldering eliminating the possibility of damage to the die.
Available in 8 mm, 7 inch/3000 Unit Tape & Reel

| Rating | Symbol | Value | Unit |
| Collector-Base Voltage | VCBO | 50 | Vdc |
| Collector-Emitter Voltage | VCEO | 50 | Vdc |
| Collector Current | IC | 100 | mAdc |
This new series of DTA114EET1 digital transistors is designed to replace a single device and its external resistor bias network. The DTA114EET1 BRT (Bias Resistor Transistor) contains a single transistor with a monolithic bias network consisting of two resistors; a series base resistor and a baseemitter resistor. The DTA114EET1 BRT eliminates these individual components by integrating them into a single device. The use of a BRT can reduce both system cost and board space. The device is housed in the SC75/SOT416 package which is designed for low power surface mount applications.
| Technical/Catalog Information | DTA114EET1 |
| Vendor | ON Semiconductor |
| Category | Transistors, FETs, IGBTs |
| Mounting Type | Surface (SMD, SMT) |
| Package Name | SC-75 |
| Transistor Type | PNP |
| Collector Base Voltage (Vcbo) | 50.0 V [Max] |
| Collector Emitter Voltage (Vceo) | 50.0 V [Max] |
| Collector Current (Ic) | 100.00 mA [Max] |
| Minimum DC Current Gain (hFE) @ Ic, Vce | 35 @ 5mA, 10V |
| Built-In Resistor (RB) | 10.000 kOhms [Typ] |
| Built-In Resistor (RBE) | 10.0 Ohms [Typ] |
| Power Dissipation | 200.000 mW [Max] |
| Packaging | Tape & Reel, 7" |
| Has Digi-Reel | FALSE |
| Lead Free Status | Contains Lead |
| RoHS Status | RoHS Non-Compliant |
| Other Names | DTA114EET1 DTA114EET1 |