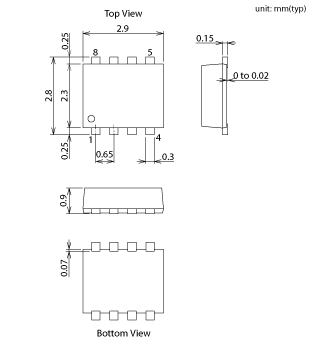
PinoutSpecifications Absolute maximum ratingsVDSS [V]20VGSS [V]10ID [A]3.5PD [W]1.3When mounted on ceramic substrate (1200mm²×0.8mm) 1unit Electrical characteristicsRDS(on) typ [Ω]VGS=2.5VID [A]=10.098RDS(on) typ [Ω]VGS=1.8VID [A]=0.50.155VGS(off) min [V]0.4VGS(off) max...
ECH8672: PinoutSpecifications Absolute maximum ratingsVDSS [V]20VGSS [V]10ID [A]3.5PD [W]1.3When mounted on ceramic substrate (1200mm²×0.8mm) 1unit Electrical characteristicsRDS(on) typ [&Ome...
SeekIC Buyer Protection PLUS - newly updated for 2013!
268 Transactions
All payment methods are secure and covered by SeekIC Buyer Protection PLUS.

| Absolute maximum ratings | |
|---|---|
| VDSS [V] | 20 |
| VGSS [V] | 10 |
| ID [A] | 3.5 |
| PD [W] | 1.3 When mounted on ceramic substrate (1200mm²×0.8mm) 1unit |
| Electrical characteristics | |
|---|---|
| RDS(on) typ [Ω] VGS=2.5V ID [A]=1 | 0.098 |
| RDS(on) typ [Ω] VGS=1.8V ID [A]=0.5 | 0.155 |
| VGS(off) min [V] | 0.4 |
| VGS(off) max [V] | 1.3 |
| |yfs| typ [S] | 3.6 |
| Ciss typ [pF] | 330 |
| Qg typ [nC] | 4 |