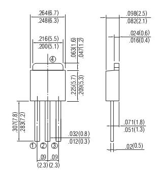
Features: For thorough hole applicationsLow profile packageBuilt-in strain reliefEasy pick and placeSuperfast recovery times for high efficiencyPlastic package has Underwriters Laboratory Flammability Classification 94V-OGlass passivated junctionHigh temperature soldering:260 / 10 seconds at termi...
ED806CT: Features: For thorough hole applicationsLow profile packageBuilt-in strain reliefEasy pick and placeSuperfast recovery times for high efficiencyPlastic package has Underwriters Laboratory Flammabili...
SeekIC Buyer Protection PLUS - newly updated for 2013!
268 Transactions
All payment methods are secure and covered by SeekIC Buyer Protection PLUS.

| Characteristic | Symbol | ED802CT | ED803CT | ED804CT | ED806CT | Unit |
| Maximum Recurrent Peak Reverse Voltage | VRRM | 200 | 300 | 400 | 600 | Volts |
| Maximum RMS Voltage | VRWM | 140 | 201 | 208 | 420 | Volts |
| Maximum DC Blocking Voltage | VR |
200 | 300 | 400 | 600 | Volts |
| Maximum Average Forward Rectified Current at TC=75 |
I(AV) | 0.8 | Amps | |||
| Peak Forward Surge Current 8.3ms single half sine-wave superimposed on rated load(JEDEC method) |
IFSM | 70 | Amps | |||
| Maximum Instantaneous Forward Voltage at 4.0A (Note 1) |
V F | 0.95 | 1.30 | 1.30 | 1.70 | Volts |
| Peak Reverse Current @TA = 25°C At Rated DC Blocking Voltage @TA = 100°C |
IR | 5.0 50 |
A | |||
| Maximum Thermal Resistance (Note 2) |
RJC RJA |
10 80 |
K/W | |||
| Maximum Reverse Recovery | trr | 35 | nS | |||
| Storage Temperature Range | TSTG | -50 to +150 | °C | |||