Features: ·Complete video fader·0.02%/0.04° differential gain/ phase @100% gain·Output amplifier included·Calibrated linear gain control·±5V to ±15V operation·60 MHz bandwidth·Low thermal errorsApplication·Video faders/wipers·Gain control·Video text insertion·Level adjust·ModulationPinoutSpecifica...
EL4094C: Features: ·Complete video fader·0.02%/0.04° differential gain/ phase @100% gain·Output amplifier included·Calibrated linear gain control·±5V to ±15V operation·60 MHz bandwidth·Low thermal errorsAppl...
SeekIC Buyer Protection PLUS - newly updated for 2013!
268 Transactions
All payment methods are secure and covered by SeekIC Buyer Protection PLUS.

VS+ Voltage between VS+ and GND ........................+18V
VS Voltage between VS+ and VS- ............................+33V
VINA, Input Voltage .........................................(VS-) -0.3V
VINB ...........................................................to (VS-) +0.3V
VGAIN Input Voltage ........................................VGAIN±5V
VGAIN Input Voltage ........................................VS- to VS+
IOUT Output Current ...........................................±35 mA
Internal Power Dissipation .............................See Curves
TA Operating Ambient Temp. Range ..........-40 to +85
TJ Operating Junction Temperature .........................150
TST Storage Temperature Range .............-65 to +150
Important Note:
All parameters having Min/Max specifications are guaranteed. The Test Level column indicates the specific device testing actually performed during production and Quality inspection. Elantec performs most electrical tests using modern high-speed automatic test equipment, specifically the LTX77 Series system. Unless otherwise noted, all tests are pulsed tests, therefore TJ=TC=TA.
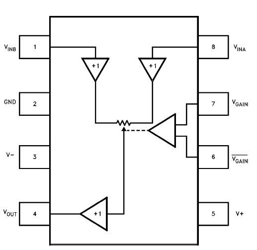
The EL4094C is a complete two-input fader. It combines two inputs according to the equation: VOUT = VINA (0.5V + Vg) + VINB (0.5V - Vg), where VGAIN is the difference between VGAIN and VGAIN pin voltages and ranges from -0.5V to +0.5V. It has a wide 60 MHz bandwidth at b3 dB, and is designed for excellent video distortion performance. The EL4094C is the same circuit as the EL4095, but with feedback resistors included on-chip to implement unity-gain connection. An output buffer is included in both circuits.
The gain-control input is also very fast, with a 20 MHz smallsignal bandwidth and 70 ns recovery time from overdrive.
The EL4094C is compatible with power supplies from ±5V to ±15V, and is available in both the 8-pin plastic DIP and SO-8.