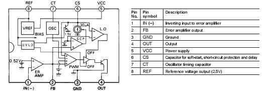
Features: * For flyback transformer-type power-supply circuit (maximum output duty = 67% typical)* Open collector output* PWM-type switching power supply control* Low-voltage operation (VCC = 3.6 to 22V)* Latch-mode short-circuit protection function (no malfunction by noise)* Soft-start function* ...
FA7617CP: Features: * For flyback transformer-type power-supply circuit (maximum output duty = 67% typical)* Open collector output* PWM-type switching power supply control* Low-voltage operation (VCC = 3.6 to...
SeekIC Buyer Protection PLUS - newly updated for 2013!
268 Transactions
All payment methods are secure and covered by SeekIC Buyer Protection PLUS.
Features: • For flyback transformer-type power-supply circuit (maximum output duty = 67% typ...

| Item |
Symbol |
Rating |
Unit | |
|
FA7610C |
FA7612C/17C | |||
| Supply voltage |
VCC |
22 |
22 |
V |
| Reference voltage output current |
IOR |
5 |
5 |
mA |
| Output current |
IO |
50 |
80 |
mA |
| Total power dissipation |
Pd |
400 |
400 |
mW |
| Operating temperature |
Topr |
20 to +85 |
20 to +85 |
C |
| Storage temperature |
Tstg |
40 to +150 |
40 to +150 |
C |