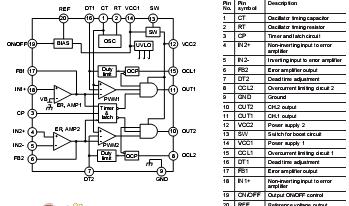
Features: * Drive circuit for connecting a power MOSFET (Io = 600mA)* Built-in voltage step-up circuit to drive a power MOSFET gate: A converter circuit requires only an N-channel power MOSFET.* Dual control circuit* Overcurrent limiting circuit* Overload cutoff circuit with timer and latch circu...
FA7622CP: Features: * Drive circuit for connecting a power MOSFET (Io = 600mA)* Built-in voltage step-up circuit to drive a power MOSFET gate: A converter circuit requires only an N-channel power MOSFET.* Du...
SeekIC Buyer Protection PLUS - newly updated for 2013!
268 Transactions
All payment methods are secure and covered by SeekIC Buyer Protection PLUS.
Features: • For flyback transformer-type or step-up power-supply circuit(maximum output duty...

| Item |
Symbol |
Rating |
Unit | |
| Supply voltage |
Voltage boost circuit not used |
VCC1 |
28 |
V |
| Voltage boost circuit used |
VCC1 |
20 |
V | |
| Supply voltage |
VCC2 |
28 |
V | |
| ON/OFF pin voltage |
VON/OFF |
0.3 to +7 |
V | |
| Out pin output current |
IOUT |
600 |
mA | |
| Total power dissipation |
Pd |
650 |
mW | |
| Junction temperature |
Tj |
125 |
C | |
| Operating temperature |
Topr |
30 to +85 |
C | |
| Storage temperature |
Tstg |
40 to +150 |
C | |
The FA7622CP(E) is a DC-DC converter IC that can directly drive a power MOSFET. This IC has all the necessary protection functions for a power MOSFET. It is optimum for a portable equipment power supply which uses low-voltage input to output comparably large power.