Motor / Motion / Ignition Controllers & Drivers 600V SMART PWR MOD
FCBS0550: Motor / Motion / Ignition Controllers & Drivers 600V SMART PWR MOD
SeekIC Buyer Protection PLUS - newly updated for 2013!
268 Transactions
All payment methods are secure and covered by SeekIC Buyer Protection PLUS.
| Type : | 3 Phase AC Motor Driver | Operating Supply Voltage : | 15 V | ||
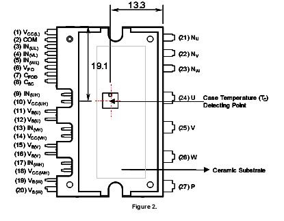
| Package / Case : | SPM-27-BA | Packaging : | Tube |

|
Symbol |
Parameter | Conditions |
Rating |
Units |
|
VPN |
Supply Voltage | Applied between P- NU,NV,NW |
400 |
V |
|
VPN(Surge) |
Supply Voltage (Surge) | Applied between P- NU,NV,NW |
450 |
V |
|
VCES |
Collector-emitter Voltage |
600 |
V | |
|
± IC |
Each IGBT Collector Current | TC = 25°C,Peak Sinusoidal Current |
50 |
A |
|
± IDP |
Each IGBT Collector Current (Peak) | TC = 25°C, Under 1ms Pulse Width |
100 |
A |
|
PC |
Collector Dissipation | TC = 25°C per One IGBT |
25 |
W |
|
TJ |
Operating Junction Temperature | (Note 1) |
-20~125 |
°C |
FCBS0550 is an advanced smart power module (SPM) that Fairchild has newly developed and designed to provide very compact and high performance ac motor drives mainly targeting low-power inverter-driven application like refrigerator. FCBS0550 combines opti- mized circuit protection and drive matched to low-loss MOS- FETs. System reliability is further enhanced by the integrated under-voltage lock-out and short-circuit protection. The high speed built-in HVIC FCBS0550 provides opto-coupler-less single-supply MOSFET gate driving capability that further reduce the overall size of the inverter system design. Each phase current of inverter can be monitored separately due to the divided nega- tive dc terminals.
| Technical/Catalog Information | FCBS0550 |
| Vendor | Fairchild Semiconductor |
| Category | Integrated Circuits (ICs) |
| Applications | AC Motor Driver, 3 Phase |
| Number of Outputs | 1 |
| Voltage - Supply | 13.5 V ~ 16.5 V |
| Voltage - Load | 300 V ~ 400 V |
| Current - Output | 5A |
| Operating Temperature | -20°C ~ 100°C |
| Package / Case | SPM27BA |
| Packaging | Tube |
| Lead Free Status | Lead Free |
| RoHS Status | RoHS Compliant |
| Other Names | FCBS0550 FCBS0550 |