Features: • Greater than 400Mbs data rate• 3.3V power supply operation• 0.4ns maximum differential pulse skew• 2.5ns maximum propagation delay• Low power dissipation• Power-Off protection• Fail safe protection for open-circuit, shorted and terminated condi...
FIN1028: Features: • Greater than 400Mbs data rate• 3.3V power supply operation• 0.4ns maximum differential pulse skew• 2.5ns maximum propagation delay• Low power dissipation...
SeekIC Buyer Protection PLUS - newly updated for 2013!
268 Transactions
All payment methods are secure and covered by SeekIC Buyer Protection PLUS.

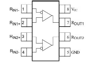
This dual receiver of FIN1028 is designed for high speed interconnects utilizing Low Voltage Differential Signaling (LVDS) technology.The receiver translates LVDS levels, with a typical differential input threshold of 100 mV, to LVTTL signal levels.LVDS provides low EMI at ultra low power dissipation even at high frequencies. FIN1028 is ideal for high speed transfer of clock and data.
The FIN1028 can be paired with its companion driver, the FIN1027, or any other LVDS driver.