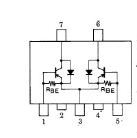
Features: · Composite type with 2 PNP transistors facilitating high-density mounting.· The FP213 is composed of 2 chips, each being equivalent to the 2SB1397, placed in one package.PinoutSpecifications Parameter Symbo Conditions Ratings Unit Collector-to-Base Voltage VCBO ...
FP213: Features: · Composite type with 2 PNP transistors facilitating high-density mounting.· The FP213 is composed of 2 chips, each being equivalent to the 2SB1397, placed in one package.PinoutSpecificati...
SeekIC Buyer Protection PLUS - newly updated for 2013!
268 Transactions
All payment methods are secure and covered by SeekIC Buyer Protection PLUS.
Features: • High operating temperature • High output voltage• Robust cylindrical...
Features: • High operating temperature• High output voltage• Robust cylindrical ...

| Parameter |
Symbo |
Conditions |
Ratings |
Unit |
| Collector-to-Base Voltage |
VCBO |
-25 |
V | |
| Collector-to-Emitter Votage |
VCEO |
-20 |
V | |
| Emitter-to-Base Voltage |
VEBO |
-6 |
V | |
| collector current |
IC |
-2 |
A | |
| Collector Current(Pulse) |
ICP |
-4 |
A | |
| Base Current |
IB |
-400 |
mA | |
| Collector Dissipation |
PC |
Mounted on ceramic board (250mm2×0.8mm) 1 unit |
0.8 |
W |
| Total Power Dissipation |
TJ |
Mounted on ceramic board (250mm2×0.8mm) |
1.1 |
W |
| Junction Temperature |
Tj |
150 |
°C | |
| Storage Temperature |
Tstg |
-55to+125 |
°C |