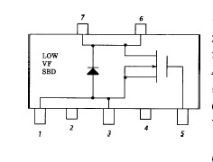
Features: · Composite type with a high-speed N-channel MOSFET and a low-forward voltage Schottky barrier diode contained in the PCP4 package, saving the mount space greatly. PinoutSpecifications Parameter Symbol Conditions Ratings Unit Allowable power Dissipation PD Tc=25°C, 1 unit ...
FP502: Features: · Composite type with a high-speed N-channel MOSFET and a low-forward voltage Schottky barrier diode contained in the PCP4 package, saving the mount space greatly. PinoutSpecifications ...
SeekIC Buyer Protection PLUS - newly updated for 2013!
268 Transactions
All payment methods are secure and covered by SeekIC Buyer Protection PLUS.
· Composite type with a high-speed N-channel MOSFET and a low-forward voltage Schottky barrier diode contained in the PCP4 package, saving the mount space greatly.

| Parameter | Symbol | Conditions | Ratings | Unit |
| Allowable power Dissipation | PD | Tc=25°C, 1 unit |
3.5 |
W |
| PD | Mounted on ceramic board (250mm2*0.8mm) 1 unit |
1.5 |
W | |
| Storage Temperature | Tstg |
-55to+150 |
°C | |
| [MOS block] | ||||
| Drain-to-Source Voltage | VDSS |
11 |
V | |
| Gate-to-Source Voltage | VGSS |
±10 |
V | |
| Drain Current(DC) | ID |
2 |
A | |
| Drain Current(Pulse) | IDP | PW10ms, duty cycle1% |
8 |
A |
| Channel Temperature | Tch |
150 |
°C | |
| [Diode block] | ||||
| Average Rectified Current | IO |
500 |
mA | |