IGBT Transistors 600V 15A SPM2
SeekIC Buyer Protection PLUS - newly updated for 2013!
268 Transactions
All payment methods are secure and covered by SeekIC Buyer Protection PLUS.
| Collector- Emitter Voltage VCEO Max : | 600 V | Collector-Emitter Saturation Voltage : | 2.3 V |
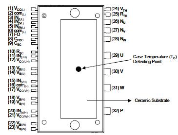
| Continuous Collector Current at 25 C : | 15 A | Package / Case : | SPM32-AA |
| Packaging : | Tube |

| Item | Symbol | Condition | Rating | Unit |
| Supply Voltage | VPN | Applied between P- NU, NV, NW | 450 | V |
| Supply Voltage (Surge) | VPN(Surge) | Applied between P- NU, NV, NW | 500 | V |
| Collector-Emitter Voltage | VCES | 600 | V | |
| Each IGBT Collector Current | ± IC | TC = 25°C | 15 | A |
| Each IGBT Collector Current | ± IC | TC = 100°C | 10 | A |
| Each IGBT Collector Current (Peak) | ± ICP | TC = 25°C, Instantaneous Value (Pulse) |
30 | A |
| Collector Dissipation | PC | TC = 25°C per One Chip | 46 | W |
| Operating Junction Temperature | TJ | (Note 1) | -20 ~ 125 |
FSAM15SL60 is an advanced smart power module (SPM)that Fairchild has newly developed and designed to provide very compact and high performance ac motor drives mainly targeting low speed low-power inverter-driven application like air conditioners. FSAM15SL60 combines optimized circuit protection and drive matched to low-loss IGBTs. Highly effective short-circuit current detection/protection is realized through the use of advanced current sensing IGBT chips that allow continuous monitoring of the IGBTs current. System reliability is further enhanced by the built-in overtemperature monitoring and integrated under-voltage lockout protection. The high speed built-in HVIC provides optocoupler-less IGBT gate driving capability that further reduce the overall size of the inverter system design. In addition the incorporated HVIC facilitates the use of single-supply drive topology enabling the FSAM15SL60 to be driven by only one drive supply voltage without negative bias. Inverter current sensing application can be achieved due to the divided negative dc terminals.
| Technical/Catalog Information | FSAM15SL60 |
| Vendor | Fairchild Semiconductor |
| Category | Integrated Circuits (ICs) |
| Applications | AC Motor Driver, 3 Phase |
| Number of Outputs | 1 |
| Voltage - Supply | 13.5 V ~ 16.5 V |
| Voltage - Load | 300 V ~ 400 V |
| Current - Output | 15A |
| Operating Temperature | -20°C ~ 100°C |
| Package / Case | SPM32AA |
| Packaging | Tube |
| Lead Free Status | Lead Free |
| RoHS Status | RoHS Compliant |
| Other Names | FSAM15SL60 FSAM15SL60 |