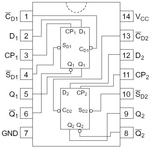
Features: · Asynchronous Inputs:· Low input to SD (Set) sets Q to High level· Low input to CD (Clear) sets Q to Low level· Clear and Set are independent of clock· Simultaneous Low on CD and SD makes both Q and Q High· Outputs Source/Sink 24 mA PinoutSpecifications Item Symbol Max Unit Co...
HD74AC74: Features: · Asynchronous Inputs:· Low input to SD (Set) sets Q to High level· Low input to CD (Clear) sets Q to Low level· Clear and Set are independent of clock· Simultaneous Low on CD and SD makes...
SeekIC Buyer Protection PLUS - newly updated for 2013!
268 Transactions
All payment methods are secure and covered by SeekIC Buyer Protection PLUS.

| Item | Symbol | Max | Unit | Condition |
| Maximum quiescent supply current | ICC | 80 | A | VIN = VCC or ground, VCC = 5.5 V, Ta = Worst case |
| Maximum quiescent supply current | ICC | 8.0 | A | VIN = VCC or ground, VCC = 5.5 V, Ta = 25°C |