Features: • The basic gate function is lined up as Renesas uni logic series.• Supplied on emboss taping for high-speed automatic mounting.• Supply voltage range : 1.2 to 3.6 V Operating temperature range: −40 to +85°C• All inputs VIH (Max.) = 3.6 V (@VCC = 0 V to 3.6 ...
HD74ALVC2G245: Features: • The basic gate function is lined up as Renesas uni logic series.• Supplied on emboss taping for high-speed automatic mounting.• Supply voltage range : 1.2 to 3.6 V Oper...
SeekIC Buyer Protection PLUS - newly updated for 2013!
268 Transactions
All payment methods are secure and covered by SeekIC Buyer Protection PLUS.

| Item |
Symbol |
Ratings |
Unit |
Conditions |
| Supply voltage |
VCC |
0.5 to 7.0 |
V |
|
| Input voltage*1 |
VI |
0.5 to 7.0 |
V |
|
| output voltage*1, 2 |
VI/O |
−0.5 to VCC+0.5 |
V |
Output : H or L or Z |
|
−0.5 to 4.6 |
VCC : OFF | |||
| Input diode current |
IIK |
50 |
mA |
VI < 0 |
| Input clamp current |
IOK |
±50 |
mA |
VO < 0 or VO > VCC |
| Output diode current |
IO |
50 |
mA |
VO = 0 to VCC |
| Output current |
ICC or IGND |
±50 |
mA |
|
| Maximum power dissipation at Ta = 25°C (in still air) *3 |
PT |
±100 |
mA |
|
| Storage temperature |
Tstg |
65 to 150 |
1. The input and output voltage ratings may be exceeded if the input and output clamp-current ratings are observed.
2. This value is limited to 4.6 V maximum.
3. The maximum package power dissipation was calculated using a junction temperature of 150°C.
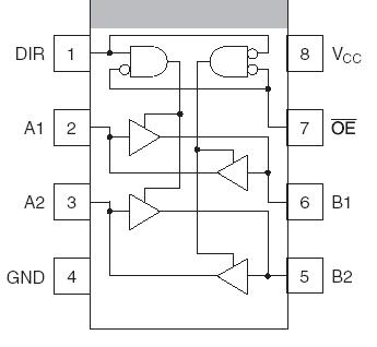
The HD74ALVC2G245 has two buffers with three state output in an 8 pin package. When DIR is high, data is transferred from the A inputs to the B outputs, and when DIR is low, data is transferred from the B inputs to the A outputs. The A and B buses are separated by making the enable input (OE) high level. Low voltage and high-speed operation of HD74ALVC2G245 is suitable for the battery powered products (e.g., notebook computers), and the low power consumption extends the battery life.