Features: • The basic gate function is lined up as hitachi uni logic series.• Supplied on emboss taping for high speed automatic mounting.• Supply voltage range : 1.2 to 3.6 V Operating temperature range : −40 to +85°C• All control input VIH (Max.) = 3.6 V (@VCC = 0 V...
HD74ALVC2G53: Features: • The basic gate function is lined up as hitachi uni logic series.• Supplied on emboss taping for high speed automatic mounting.• Supply voltage range : 1.2 to 3.6 V Oper...
SeekIC Buyer Protection PLUS - newly updated for 2013!
268 Transactions
All payment methods are secure and covered by SeekIC Buyer Protection PLUS.

|
Item |
Symbol |
Ratings |
Unit |
Conditions |
| Supply voltage |
VCC |
0.5 to 4.6 |
V |
|
| Input voltage *1 |
VI |
0.5 to 4.6 |
V |
|
| Output voltage *1, 2 |
VO |
0.5 to VCC +0.5 |
V |
Output : H or L |
| Input clamp current |
IIK |
-50 |
mA |
VI<0 |
| Output clamp current |
IOK |
±50 |
mA |
VO<0 or VO >VCC |
| Continuous output current |
IO |
±50 |
mA |
VO = 0 to VCC |
| VCC, GND current / pin |
ICC or IGND |
±100 |
mA |
|
| Maximum power dissipation at Ta = 55°C (in still air)*3 |
PT |
200 |
mW |
TSSOP |
| Storage temperature |
Tstg |
65 to 150 |
°C |
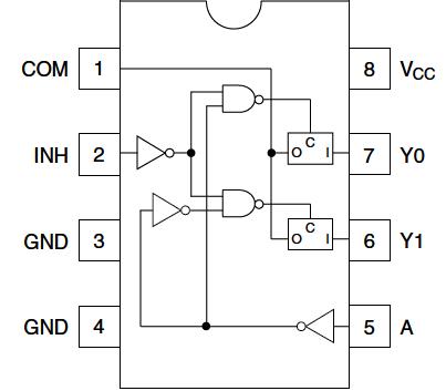
The HD74ALVC2G53 has 2-channel analog multiplexer / demultiplexer in a 8 pin package. Applications of HD74ALVC2G53 include signal gating, chopping, modulation or demodulation (modem), and signal multiplexing for analog to digital and digital to analog conversion systems. Low voltage and high speed operation is suitable for the battery powered products (e.g., notebook computers), and the low power consumption extends the battery life.