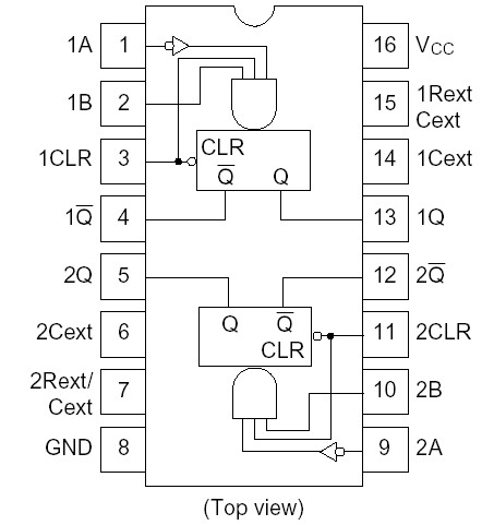
Features: · High Speed Operation· High Output Current: Fanout of 10 LSTTL Loads· Wide Operating Voltage: VCC = 2 to 6 V· Low Input Current: 1 µA max· Low Quiescent Supply CurrentPinoutDescriptionThis multivibrator features both a negative, A, and a positive, B, transition triggered input, ei...
HD74HC123A: Features: · High Speed Operation· High Output Current: Fanout of 10 LSTTL Loads· Wide Operating Voltage: VCC = 2 to 6 V· Low Input Current: 1 µA max· Low Quiescent Supply CurrentPinoutDescript...
SeekIC Buyer Protection PLUS - newly updated for 2013!
268 Transactions
All payment methods are secure and covered by SeekIC Buyer Protection PLUS.

This multivibrator features both a negative, A, and a positive, B, transition triggered input, either of which can be used as an inhibit input. Also included is a clear input that when taken low resets the one shot. The HD74HC123A can be triggered on the positive transition of the clear while A is held low and B is held high.
The HD74HC123A is retriggerable. That is it may be triggered repeatedly while their outputs are generating a pulse and the pulse will be extended.
Pulse width stability over a wide range of temperature. The output pulse equation of HD74HC123A is simply: tw = (Rext) (Cext).