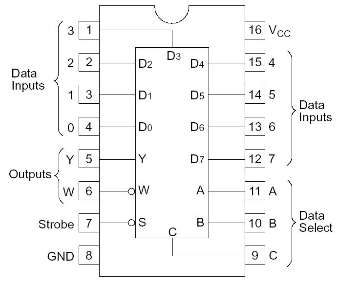
Features: · High Speed Operation: tpd (Any D to Y or W) = 18 ns typ (CL = 50 pF)· High Output Current: Fanout of 10 LSTTL Loads· Wide Operating Voltage: VCC = 2 to 6 V· Low Input Current: 1 µA max· Low Quiescent Supply Current: ICC (static) = 4 µA max (Ta = 25°C)PinoutDescriptionThe HD...
HD74HC151: Features: · High Speed Operation: tpd (Any D to Y or W) = 18 ns typ (CL = 50 pF)· High Output Current: Fanout of 10 LSTTL Loads· Wide Operating Voltage: VCC = 2 to 6 V· Low Input Current: 1 µA...
SeekIC Buyer Protection PLUS - newly updated for 2013!
268 Transactions
All payment methods are secure and covered by SeekIC Buyer Protection PLUS.
