Features: · High Speed Operation: tpd (Clock to Q) = 15 ns typ (CL = 50 pF)· High Output Current: Fanout of 10 LSTTL Loads· Wide Operating Voltage: VCC = 2 to 6 V· Low Input Current: 1 µA max· Low Quiescent Supply Current: ICC (static) = 4 µA max (Ta = 25°C)PinoutDescriptionThisHD74HC1...
HD74HC174: Features: · High Speed Operation: tpd (Clock to Q) = 15 ns typ (CL = 50 pF)· High Output Current: Fanout of 10 LSTTL Loads· Wide Operating Voltage: VCC = 2 to 6 V· Low Input Current: 1 µA max·...
SeekIC Buyer Protection PLUS - newly updated for 2013!
268 Transactions
All payment methods are secure and covered by SeekIC Buyer Protection PLUS.

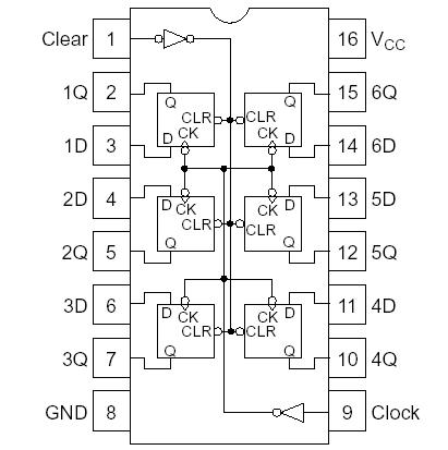
This HD74HC174 contains 6 master-slave flip-flops with a common clock and common clear. Data on the D input having the specified setup and hold times is transferred to the Q output on the low to high transition of the clock input. The clear input when low, sets all outputs to a low state.