Features: • The basic gate function is lined up as Renesas uni logic series.• Supplied on emboss taping for high-speed automatic mounting.• Electrical characteristics equivalent to the HD74LV02A Supply voltage range : 1.65 to 5.5 V Operating temperature range : 40 to +85°C•...
HD74LV1G02A: Features: • The basic gate function is lined up as Renesas uni logic series.• Supplied on emboss taping for high-speed automatic mounting.• Electrical characteristics equivalent to...
SeekIC Buyer Protection PLUS - newly updated for 2013!
268 Transactions
All payment methods are secure and covered by SeekIC Buyer Protection PLUS.

|
Item |
Symbol |
Ratings |
Unit |
Test Conditions |
| Supply voltage range |
VCC |
0.5 to 7.0 |
V |
|
| Input voltage range*1 |
VI |
0.5 to 7.0 |
V |
|
| Output voltage range*1, 2 |
VO |
0.5 to VCC + 0.5 |
V |
Output: H or L |
|
0.5 to 7.0 |
VCC: OFF | |||
| Input clamp current |
IIK |
20 |
mA |
VI < 0 |
| Output clamp current |
IOK |
±50 |
mA |
VO < 0 or VO > VCC |
| Continuous output current |
IO |
±25 |
mA |
VO = 0 to VCC |
| Continuous current through VCC or GND |
ICC or IGND |
±50 |
mA |
|
| Maximum power dissipation at Ta = 25(in still air)*3 |
PT |
200
|
mW |
|
| Storage temperature |
Tstg |
65 to 150 |
Notes: The absolute maximum ratings are values, which must not individually be exceeded, and furthermore no two of
which may be realized at the same time.
1. The input and output voltage ratings may be exceeded if the input and output clamp-current ratings are observed.
2. This value is limited to 5.5 V maximum.
3. The maximum package power dissipation was calculated using a junction temperature of 150.
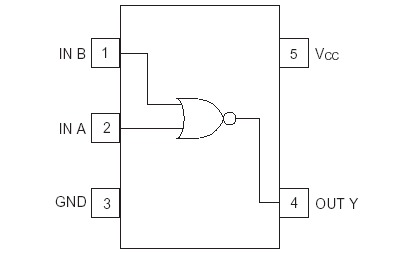
The HD74LV1G02A has twoinput NOR gate in a 5 pin package. Low voltage and high-speed operation is suitable for the battery powered products (e.g., notebook computers), and the low power consumption extends the battery life.