Features: ` The basic gate function is lined up as hitachi uni logic series.` Supplied on emboss taping for high speed automatic mounting.` Electrical characteristics equivalent to the HD74LV125A Supply voltage range : 1.65 to 5.5 V Operating temperature range : 40 to +85` All inputs VIH (Max.) = ...
HD74LV1G125A: Features: ` The basic gate function is lined up as hitachi uni logic series.` Supplied on emboss taping for high speed automatic mounting.` Electrical characteristics equivalent to the HD74LV125A Su...
SeekIC Buyer Protection PLUS - newly updated for 2013!
268 Transactions
All payment methods are secure and covered by SeekIC Buyer Protection PLUS.

|
Item |
Symbol |
Ratings |
Unit |
Test Conditions |
| Supply voltage range |
VCC |
0.5 to 7.0 |
V |
|
| Input voltage range*1 |
VI |
0.5 to 7.0 |
V |
|
| Output voltage range*1, 2 |
VO |
0.5 to VCC + 0.5 |
V |
Output: H or L
|
| 0.5 to 7.0 | VCC : OFF or Output : Z | |||
| Input clamp current |
IIK |
20 |
mA |
VI < 0 |
| Output clamp current |
IOK |
±50 |
mA |
VO < 0 or VO > VCC |
| Continuous output current |
IO |
±25 |
mA |
VO = 0 to VCC |
| Continuous current through VCC or GND |
ICC or IGND |
±50 |
mA |
|
| Maximum power dissipation at Ta = 25(in still air)*3 |
PT |
200
|
mW |
|
| Storage temperature |
Tstg |
65 to 150 |
Notes: The absolute maximum ratings are values, which must not individually be exceeded, and furthermore no two
of which may be realized at the same time.
1. The input and output voltage ratings may be exceeded if the input and output clamp-current ratings are observed.
2. This value is limited to 5.5 V maximum.
3. The maximum package power dissipation was calculated using a junction temperature of 150.
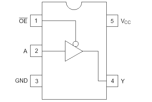
The HD74LV1G125A has a bus buffer gate with 3state output in a 5 pin package. Output is disabled when the associated output enable (OE) input is high. To ensure the high impedance state of HD74LV1G125A during power up or power down, OE should be connected to VCC through a pull-down resistor; the minimum value of the resistor is determined by the current souring capability of the driver. Low voltage and high speed operation is suitable for the battery powered products (e.g., notebook computers), and the low power consumption extends the battery life.