Features: • The basic gate function is lined up as hitachi uni logic series.• Supplied on emboss taping for high speed automatic mounting.• Electrical characteristics equivalent to the HD74LV04A Supply voltage range : 1.65 to 5.5 V Operating temperature range : 40 to +85°C•...
HD74LV2G04A: Features: • The basic gate function is lined up as hitachi uni logic series.• Supplied on emboss taping for high speed automatic mounting.• Electrical characteristics equivalent to...
SeekIC Buyer Protection PLUS - newly updated for 2013!
268 Transactions
All payment methods are secure and covered by SeekIC Buyer Protection PLUS.

| Item | Symbol | Ratings | Unit | Test Conditions |
| Supply voltage range | VCC | 0.5 to 7.0 | V | |
| Input voltage range *1 | VI | 0.5 to 7.0 | V | |
| Output voltage range *1, 2 | VO | 0.5 to VCC + 0.5 | V | Output : H or L |
| 0.5 to 7.0 | VCC : OFF | |||
| Input clamp current | IIK | 20 | mA | VI < 0 |
| Output clamp current | IOK | ±50 | mA | VO < 0 or VO > VCC |
| Continuous output current | IO | ±25 | mA | VO = 0 to VCC |
| Continuous current through VCC or GND |
ICC or IGND | ±50 | mA | |
| Maximum power dissipation at Ta = 25°C (in still air) *3 |
PT | 200 | mW | |
| Storage temperature | Tstg | 65 to 150 | °C |
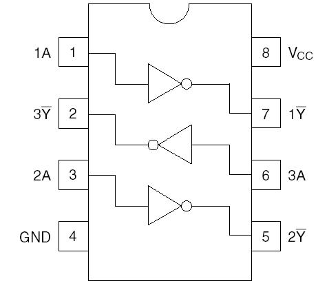
The HD74LV2G04A has triple inverters in a 8 pin package. Low voltage and high speed operation is suitable for the battery powered products (e.g., notebook computers), and the low power consumption extends the battery life.