Features: · VCC = 2.0 V to 5.5 V· All inputs VIH (Max.) = 5.5 V (@VCC = 0 V to 5.5 V)· All outputs VOUT (Max.) = 5.5 V (@VCC = 0 V or output off state)· Typical VOL ground bounce < 0.8 V (@VCC = 3.3 V, Ta = 25°C)· Typical VOH undershoot > 2.0 V (@VCC = 3.3 V, Ta = 25°C)· High output current ...
HD74LVC125A: Features: · VCC = 2.0 V to 5.5 V· All inputs VIH (Max.) = 5.5 V (@VCC = 0 V to 5.5 V)· All outputs VOUT (Max.) = 5.5 V (@VCC = 0 V or output off state)· Typical VOL ground bounce < 0.8 V (@VCC = ...
SeekIC Buyer Protection PLUS - newly updated for 2013!
268 Transactions
All payment methods are secure and covered by SeekIC Buyer Protection PLUS.

| Item | Symbol | Ratings | Unit | Conditions |
| Supply voltage | VCC | 0.5 to 6.0 | V | |
| Input diode current | IIK | 50 | mA | VI = 0.5V |
| Input voltage | VI | 0.5 to 6.0 | V | |
| Output diode curren | IOK | 50 | mA | VO = 0.5 V |
| 50 | mA | VO = VCC +0.5 V | ||
| Output voltage | VO | 0.5 to VCC +0.5 | V | Output "H" or "L" |
| 0.5 to 6.0 | V | Output "Z" or VCC:OFF | ||
| Output current | IO | ±50 | mA | |
| VCC, GND current / pin | ICC or IGND | 100 | mA | |
| Storage temperature | Tstg | 65 to +150 | °C |
Note: The absolute maximum ratings are values which must not individually be exceeded, and furthermore,no two of which may be realized at the same time.
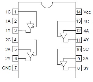
The HD74LVC125A has four bus buffer gates in a 14 pin package. The device require the three state control input C to be taken high to put the output into the high impedance condition, whereas the device requires the control input to be low to put the output into high impedance. Low voltage and high speed operation of HD74LVC125A is suitable at the battery drive product (note type personal computer) and low power consumption extends the life of a battery for long time operation.