Features: · VCC = 2.7 to 5.5 V· All inputs VIH (Max) = 5.5 V (@VCC = 0 to 5.5 V)· All outputs VO (Max) = 5.5 V (@VCC = 0 V or output off state)· Typical VOL ground bounce < 0.8 V (@VCC = 3.3 V, Ta = 25°C)· Typical VOH undershoot > 2.0 V (@VCC = 3.3 V, Ta = 25°C)· High output current ±24 mA (...
HD74LVC244A: Features: · VCC = 2.7 to 5.5 V· All inputs VIH (Max) = 5.5 V (@VCC = 0 to 5.5 V)· All outputs VO (Max) = 5.5 V (@VCC = 0 V or output off state)· Typical VOL ground bounce < 0.8 V (@VCC = 3.3 V, T...
SeekIC Buyer Protection PLUS - newly updated for 2013!
268 Transactions
All payment methods are secure and covered by SeekIC Buyer Protection PLUS.

|
Item |
Symbol |
Ratings |
Unit |
Conditions |
|
Supply voltage |
VCC |
0.5 to 6.0 |
V |
|
|
Input diode current |
IIK |
50 |
mA |
VI = 0.5 V |
|
Input voltage |
VI |
0.5 to 6.0 |
V |
|
|
Output diode current |
IOK |
50 |
mA |
VO = 0.5 V |
|
50 |
mA |
VO = VCC+0.5 V | ||
|
Output voltage |
VO |
0.5 to VCC +0.5
|
V
|
Output "H" or "L" |
|
VO |
0.5 to 6.0 |
V |
Output "Z" or VCC:OFF | |
|
Output current |
IO |
±50 |
mA |
|
|
VCC, GND current / pin |
ICC or IGND |
100 |
mA |
|
|
Storage temperature |
Tstg |
65 to +150 |
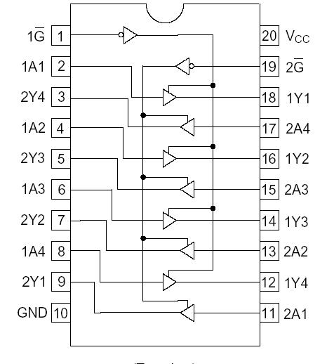
The HD74LVC244A has eight line drivers with three state outputs in a 20 pin package. This HD74LVC244A is a non inverting buffer and has two active low enables (1G and 2G). Each enable independently controls four buffers. Low voltage and high speed operation is suitable at the battery drive product (note type personal computer) and low power consumption extends the life of a battery for long time operation.