Features: ` VCC = 2.7 to 5.5 V` All inputs VIH (Max) = 5.5 V (@VCC = 0 to 5.5 V)` All outputs VO (Max) = 5.5 V (@VCC = 0 V or output off state)` Typical VOL ground bounce < 0.8 V (@VCC = 3.3 V, Ta = 25°C)` Typical VOH undershoot > 2.0 V (@VCC = 3.3 V, Ta = 25°C) ` High output current ±24 mA...
HD74LVC245A: Features: ` VCC = 2.7 to 5.5 V` All inputs VIH (Max) = 5.5 V (@VCC = 0 to 5.5 V)` All outputs VO (Max) = 5.5 V (@VCC = 0 V or output off state)` Typical VOL ground bounce < 0.8 V (@VCC = 3.3 V, T...
SeekIC Buyer Protection PLUS - newly updated for 2013!
268 Transactions
All payment methods are secure and covered by SeekIC Buyer Protection PLUS.

|
Item |
Symbol |
Ratings |
Unit |
Conditions |
|
Supply voltage |
VCC |
0.5 to 6.0 |
V |
|
|
Input diode current |
IIK |
50 |
mA |
VI = 0.5 V |
|
Input voltage |
VI |
0.5 to 6.0 |
V |
T / R, OE |
|
Output diode current |
IOK |
50 |
mA |
VO = 0.5 V |
|
50 |
mA |
VO = VCC+0.5 V | ||
|
Output voltage |
VO |
0.5 to VCC +0.5
|
V
|
Output "H" or "L" |
|
VO |
0.5 to 6.0 |
V |
Output "Z" or VCC:OFF | |
|
Output current |
IO |
±50 |
mA |
|
|
VCC, GND current / pin |
ICC or IGND |
100 |
mA |
|
|
Storage temperature |
Tstg |
65 to +150 |
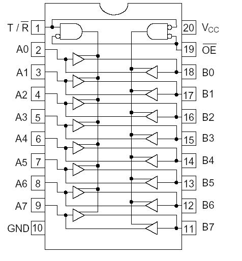
The HD74LVC245A has eight buffers with three state outputs in a 20 pin package. When (T / R) is high, data flows from the A inputs to the B outputs, and when (T / R) is low, data flows from the B inputs to the A outputs. A and B bus are separated by making enable input (OE) of HD74LVC245A high level. Low voltage and high speed operation is suitable at the battery drive product (note type personal computer) and low power consumption extends the life of a battery for long time operation.