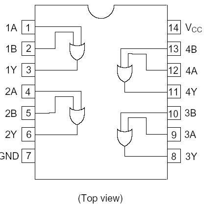
Features: · VCC = 2.0 V to 5.5 V· All inputs VIH (Max.) = 5.5 V (@VCC = 0 V to 5.5 V)· Typical VOL ground bounce < 0.8 V (@VCC = 3.3 V, Ta = 25°C)· Typical VOH undershoot > 2.0 V (@VCC = 3.3 V, Ta = 25°C)· High output current ±24 mA (@VCC = 3.0 V to 5.5 V)PinoutSpecifications Item ...
HD74LVC32: Features: · VCC = 2.0 V to 5.5 V· All inputs VIH (Max.) = 5.5 V (@VCC = 0 V to 5.5 V)· Typical VOL ground bounce < 0.8 V (@VCC = 3.3 V, Ta = 25°C)· Typical VOH undershoot > 2.0 V (@VCC = 3.3 V...
SeekIC Buyer Protection PLUS - newly updated for 2013!
268 Transactions
All payment methods are secure and covered by SeekIC Buyer Protection PLUS.

|
Item |
Symbol |
Ratings |
Unit |
Conditions |
|
Supply voltage |
VCC |
0.5 to 6.0 |
V |
|
|
Input voltage |
VI |
0.5 to 6.0 |
V |
|
|
Output diode current |
IOK |
50 |
V |
VO = 0.5 V |
|
50 |
VO = VCC+0.5 V | |||
|
Input diode current |
IIK |
50 |
mA |
V = 0.5 V |
|
Output voltage |
VO |
0.5 to VCC+0.5 |
V |
|
|
Output current |
IO |
±50 |
mA |
|
|
VCC, GND current |
ICC or IGND |
±100 |
mA |
|
|
Storage temperature |
Tstg |
65 to 150 |
The HD74LVC32 has four 2-input OR gates in a 14 pin package. Low voltage and high speed operation is suitable at the battery drive product (note type personal computer) and low power consumption extends the life of a battery for long time operation.