Features: ` VCC = 2.7 to 5.5 V` All inputs VIH (Max) = 5.5 V (@VCC = 0 to 5.5 V)` All outputs VO (Max) = 5.5 V (@VCC = 0 V or output off state)` Typical VOL ground bounce < 0.8 V (@VCC = 3.3 V, Ta = 25°C)` Typical VOH undershoot > 2.0 V (@VCC = 3.3 V, Ta = 25°C)` High output current ±24 mA (...
HD74LVC374A: Features: ` VCC = 2.7 to 5.5 V` All inputs VIH (Max) = 5.5 V (@VCC = 0 to 5.5 V)` All outputs VO (Max) = 5.5 V (@VCC = 0 V or output off state)` Typical VOL ground bounce < 0.8 V (@VCC = 3.3 V, T...
SeekIC Buyer Protection PLUS - newly updated for 2013!
268 Transactions
All payment methods are secure and covered by SeekIC Buyer Protection PLUS.

|
Item |
Symbol |
Ratings |
Unit |
Conditions |
|
Supply voltage |
VCC |
0.5 to 6.0 |
V |
|
|
Input diode current |
IIK |
50 |
mA |
VI = 0.5 V |
|
Input voltage |
VI |
0.5 to 6.0 |
V |
|
|
Output diode current |
IOK |
50 |
mA |
VO = 0.5 V |
|
50 |
mA |
VO = VCC+0.5 V | ||
|
Output voltage |
VO |
0.5 to VCC +0.5
|
V
|
Output "H" or "L" |
|
VO |
0.5 to 6.0 |
V |
Output "Z" or VCC:OFF | |
|
Output current |
IO |
±50 |
mA |
|
|
VCC, GND current / pin |
ICC or IGND |
100 |
mA |
|
|
Storage temperature |
Tstg |
65 to +150 |
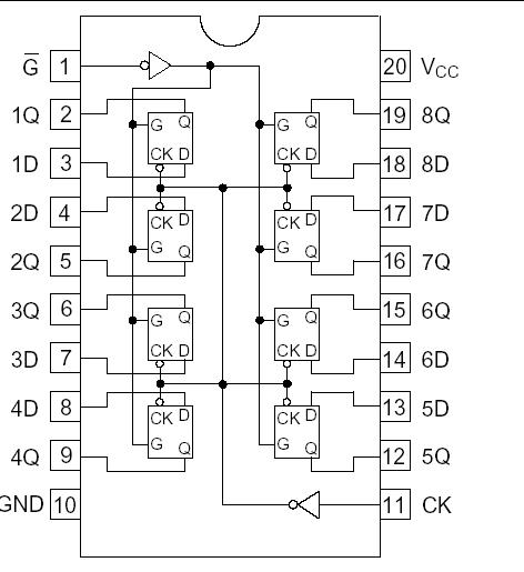
The HD74LVC374A has eight edge trigger D type flip flops with three state outputs in a 20 pin package. Data at the D inputs meeting set up requirements, are transferred to the Q outputs on positive going transitions of the clock input. When the clock input goes low, data at the D inputs will be retained at the outputs until clock input returns high again. When a high logic level is applied to the output control input, all outputs of HD74LVC374A go to a high impedance state, regardless of what signals are present at the other inputs and the state of the storage elements. Low voltage and high speed operation is suitable at the battery drive product (note type personal computer) and low power consumption extends the life of a battery for long time operation.